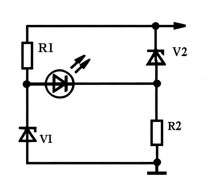
Данный индикатор не имеет логических элементов, невероятно прост в сборке и крайне надежен в работе. Состоит всего из 5 элементов, спаивается за 5 минут без платы.
Индикатор предназначен для отслеживания критически низкого напряжения аккумуляторной батареи 12 В. При желании можно изменить номиналы элементов схемы и сделать индикатор на другое напряжение.
Понадобится
Стабилитрон на 6,2 Вольта - 2 шт. - http://alii.pub/5myg53
Резистор 1 кОм - 2 шт. - http://alii.pub/5h6ouv
Светодиод - http://alii.pub/5lag4f
Как сделать индикатор разряда аккумуляторной батареи без транзисторов
Итак, сначала соберем, а потом определимся с принципом работы.
Берем отрезок медного провода (это будет «+» индикатора) и припаиваем к одному концу резистор, предварительно обрезав длинный вывод.
Затем к другому краю отрезка припаиваем стабилитрон катодом.
Между выводами резистора и анодом стабилитрона припаиваем светодиод. Полярность подключения светодиода показана на рисунке.
Откусываем лишние вывода.
Ниже припаиваем резистор к светодиоду и катод стабилитрона, смотрите фото.
Соединяем вывода перемычкой. Это будет «минус» индикатора.
Можно припаять дополнительные вывода. Схема индикатора собрана.
Проверка индикатора
Теперь если подать на него напряжение от заряженной батареи, то светодиод не будет гореть, так как батарея в норме.
Но следует напряжению опуститься ниже 10,5 В (критическое напряжение для кислотных АКБ), то светодиод тут же загорится. Причем порог срабатывания всего пару десятых Вольта.
Поэтому даже при медленном опускании напряжения светодиод загорается практически сразу, без начального подсвечивания.
Все это благодаря схеме, в которой светодиод имеет мостове включение. То есть когда напряжение выше 10,5 В в цепи светодиода присутствует почти нулевое значение. Как только напряжение падает ниже 10,5 В стабилитроны как бы закрываются, а резисторы стараются подтянуть светодиод каждый к своей шине питания. Вот такая простая и вполне практичная схема.
















