Модуль для зарядки литий-ионных батарей TP4056 очень и очень популярный. И пример использования его в качестве универсальной платы BMS, сделает его еще более востребованным и нужным. Причем, у такой замены есть очевидные полюсы, о которых чуть позже.
Схема включения TP4056 вместо BMS
Из схемы видно, что для каждой банки АКБ нужна своя плата TP4056.
По сути, обычная схема с последовательным включением, за исключением контактов переключения при зарядке.
Иными словами, во время использования все АКБ включены последовательно, через модуль TP4056. Как только подключается зарядка, реле срабатывает и разъединяет последовательность включения АКБ и соединяет все входа модулей воедино для питания.
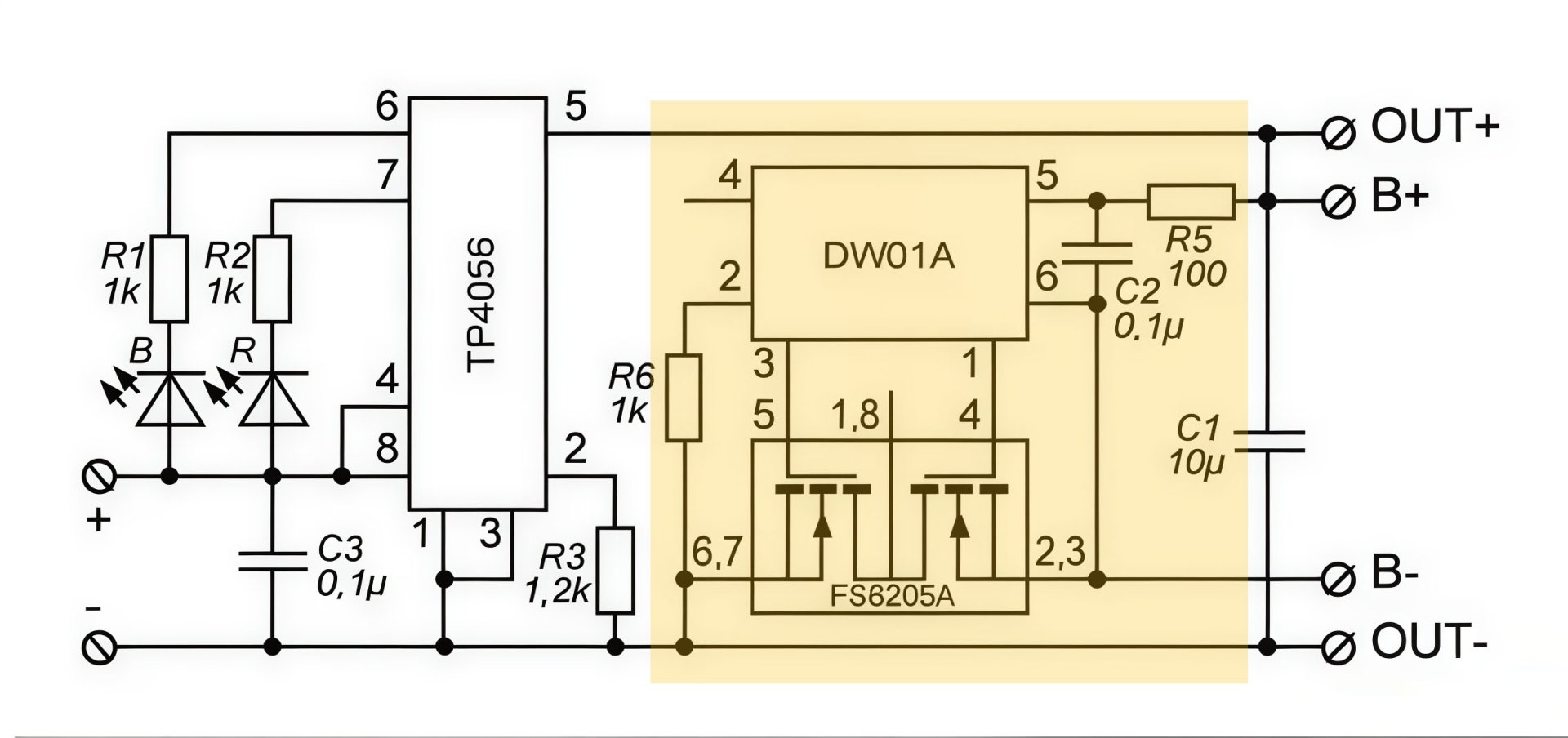
Важно: модуль должен иметь в своем составе - микросхему DW01 и мосфет 8205A. Потому что есть варианты без них.
Схема полноценного модуля TP4056 с DW01.
Если еще проще, на плате должно быть 3 черных квадратика: микросхемы TP4056 и DW01 и мосфет FS8205A.
Вот и все. Схема гибкая, можно использовать от 1 и более элементов. Переключение можно производить не при помощи реле, а вручную - тумблером.
Преимущества и недостатки
Преимущества:
- Использование любого количества элементов (в разумных пределах конечно). Можно собрать батарею с нужным напряжением, с разным количеством элементов. То что нужно для самодельных проектов.
- Идеальная балансировка. Так как каждый элемент заряжается индивидуально, перекоса напряжений между АКБ быть не может. Во время разряда все как у BMS - выключение идет по первому элементу достигшего низкого разряда.
- Регулировка тока. Модуль TP4056 сам регулирует ток заряда, как его изменить читайте - Как с помощью модуля TP4056 заряжать аккумуляторы разной емкости. Это дает возможность использовать другие литиевые АКБ, кроме 18650.
Недостатки:
- Сложность с переключением, в отличии от BMS, которую можно просто взять и установить.
- Потребуется мощный блок питания на 5 В, способный «тянуть» все ячейки.
- Не подойдет для сильноточных цепей.
Преимущества, сугубо на мой взгляд, существенно перекрывают недостатки. Ну опять же, все подходит под конкретный случай.




