Дискотечный стробоскоп с потрясающим эффектом полицейской мигалки ! По с равнению с ксеноновыми, светодиодный более долговечен и неприхотлив. Его можно использовать и для машины
Для постройки нашего стробоскопа нам потребуется микросхема к561ла7
Ну и остальные детали .
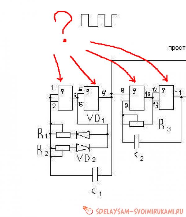
Все видно из схемы :
(для увеличения нажмите)
R1 - R3 - 1 MOm
R4, R5, R6 - 2 kOm
R7 - R10 - 100 Om
C1,С4 - 10 мкФ
C2,С3 - 0,25 мкФ
VD - любые
Т1 - кт 315
Т2 - кт817
Стабилитрон любой на напряжение стабилизации 6....9 вольт
переключатель - любой
Светодиоды - любые сверх яркие.
При желании подстроечные резисторы можно заменить на постоянные предварительно подобрав их.
Резисторами R1 R2 подстраиваем частоту включения импульсов.
Резистором R3 подстраиваем частоты импульсов "дражания".
Конденсатором С3 подбираем время импульса свечения светодиодов.
Переключатель служит для переключения: обычный строб. или полицейская мигалка.
Ну а количество цепей со светодиодами выбирайте сами ! К примеру в моем 10 цепей, а следовательно 30 светодиодов.
Дизайн может быль любым:


А лучше сделать два строба: один с синими светодиодами, другай с красными[b][/b]!

Источник: zdelaisam.ucoz.com




