Интерфейс игрового порта, в виде плат расширения для персонального компьютера, был предложен ещё в восьмидесятых годах прошлого века. На протяжении двух десятилетий присутствовал практически в любом ПК. Отказ от массового использования произошёл в относительно недавнее время и совпал с прекращением эксплуатации систем на Windows XP.
Сейчас энтузиасты собирают, ремонтируют и коллекционируют старую вычислительную технику. Многие люди с теплотой и чувством светлой ностальгии вспоминают старые игры. Геймпад позволит расширить прежний игровой опыт и замечательно подойдёт для аркад, скроллеров и гонок.
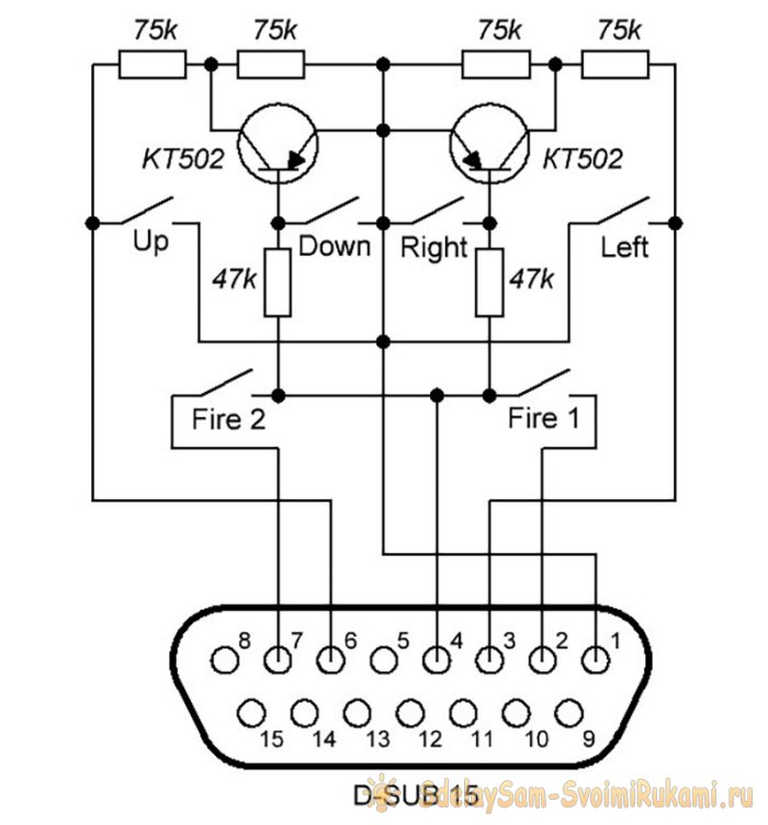
Схема устройства довольно лаконична, содержит минимум деталей и проста для повторения.
Для сборки геймпада потребуется:
- Игровой манипулятор от восьмибитной игровой приставки
- Штырьковый разъём типа DB-15 с корпусом.
- Два транзистора прямой проводимости.
- Четыре резистора 75к и два 47к.
- ПВХ трубка и тонкий многожильный провод в цветной изоляции.
Изготовление геймпада своими руками
Игровой манипулятор от восьмибитной игровой приставки необходимо разобрать.
Извлечь плату и отпаять от неё кабель подключения.
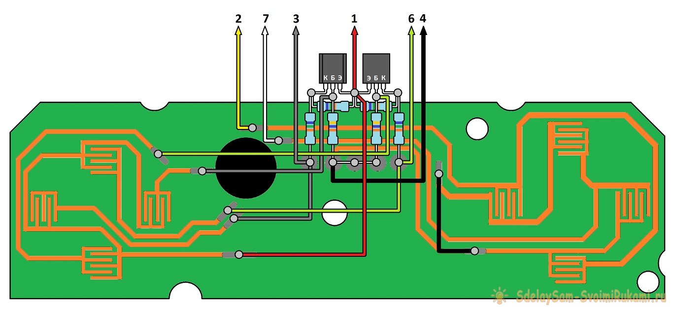
Сверяясь с планом на представленном рисунке, подготовить плату к монтажу схемы.
Скальпелем перерезать проводники, исходящие от микросхемы контроллера.
Зачистить и залудить монтажные площадки.
Рекомендую сначала подсобрать модуль из электронных компонентов, как показано на рисунке.
Транзисторы прямой проводимости (p-n-p) можно использовать любые, например отечественные КТ502, КТ3107 или импортные BC556, S9015.
Резисторы мощностью 0,125 – 0,25 Ватт, любого типа.
Выводы деталей скрутить и зафиксировать пайкой.
Собирая модуль, следует постараться исполнить его по возможности компактно.
Последовательно собирая схему геймпада, будет удобно руководствоваться планом всех соединений.
Сначала можно припаять подсобранный модуль к подготовленной плате.
Установить перемычку, соединяющую контактные группы кнопок.
Затем припаять пять проводов, соединяющих элементы модуля с проводниками на плате.
Для подключения геймпада к компьютеру потребуется кабель с шестью проводниками внутри. Его можно изготовить из тонкостенной ПВХ трубки диаметром 4,5 миллиметра и длинной 1,8 метра, затянув в неё подходящие провода.
Очень надёжный, гибкий и подвижный кабель получится если использовать провод МГТФ.
Заключительный этап сборки схемы, на стороне геймпада, распайка шести проводов соединительного кабеля.
Плату следует тщательно отмыть от флюса и загрязнений, уделив особое внимание контактным площадкам кнопок.
С двух сторон кабеля я надел протекторы из ПВХ. Их удалость снять с прежнего кабеля, которым комплектовался геймпад.
Заменить протекторы можно двухсантиметровым отрезком ПВХ трубки или термоусадки.
На свободный конец соединительного кабеля нужно припаять разъём для подключения к ПК.
После пайки, установить фиксирующую скобу, вложить разъём в корпус и стянуть винтами.
Изнутри лицевой половины корпуса геймпада надо аккуратно поместить толкатели кнопок.
Поверх разложить и расправить резинки с контактами.
Накрыть платой и проконтролировать точность размещения всех слоёв.
Если всё в порядке, можно закрывать корпус и закручивать саморезы. Геймпад готов.
Проверить работу устройства можно программой с тестами, опрашивающими гейм-порт, или поддерживающими джойстик играми.
Я снял небольшой ролик с тестами геймпада под «DOS» в программе «CheckIt 4.1» и игре «Xenon 2».














